安全·节能防爆betway广告江苏省「专精特新 」「瞪羚企业 」 国家高新技术企业

服务热线:400-000-9261 咨询电话:151 9595 6304

必威app精装版苹果版下载安装教程防爆模温机
您的位置: 首页 > betway365官网

搜索结果

冷热一体机工作原理讲解「必威app精装版苹果版下载安装教程机械」化工行业120+成功案例

冷热一体机工作原理讲解「必威app精装版苹果版下载安装教程机械」化工行业120+成功案例

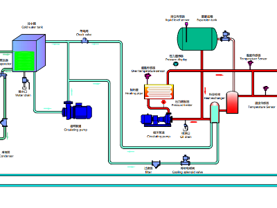
冷热一体机的工作原理:泵浦驱动传热介质(通常为水或油)从装有内置加热器的油箱中到达控温设备,再从控温设备回到油箱。控制器根据温度传感器测量的热流体温度或控温设备内部温度,调节热流体的温度从而调节控温设备的温度。
何为冷热一体机「必威app精装版苹果版下载安装教程机械」原理功能干货分享

何为冷热一体机「必威app精装版苹果版下载安装教程机械」原理功能干货分享

制冷加热控温系统(简称冷热一体机),具备制冷与加热的作用,其实是两个独立的单元组合在一起后为冷热一体机组;接下来小编介绍一下冷热一体机工作原理及具备的智能化功能。
高低温冷热一体机工作原理「必威app精装版苹果版下载安装教程机械」再次讲解

betway必威官方

高低温冷热一体机在现代制造业中应用越来越广泛,比如制药、化妆品反应釜控温领域。必威app精装版苹果版下载安装教程高低温冷热一体机采用单独的加热和冷却系统控制温度,运用两者的手动切换方式进行冷热交换,其控制温度的精准度难以达到要求,常常造成影响反应釜内的反应效率和效果,且对于超高温和超低温的控制稳定性差,下面必威app精装版苹果版下载安装教程小编介绍下高低温冷热一体机工作原理
冷热一体机工作原理「必威app精装版苹果版下载安装教程机械」详情介绍

冷热一体机工作原理「必威app精装版苹果版下载安装教程机械」详情介绍

冷热一体机是将制冷和加热集中于一体的温度控制设备,传热的媒介是水或者油,热传导性好,节能环保,机体分为加热部分和冷却部分,两套系统组成,两块电脑PC板,各自控制相应的系统,根据工艺需求,自动调节加热或是制冷,冷热一体机的优势是性能稳定,防炭黑设计,为了让大家更加了解,今天就来具体介绍冷热一体机工作原理
冷热一体机工作原理是什么?专业解读找「必威app精装版苹果版下载安装教程机械」

冷热一体机工作原理是什么?专业解读找「必威app精装版苹果版下载安装教程机械」

无锡一家做新能源发动机测试的企业来电话咨询冷热一体机工作原理以及选型大小,客户现在要求给汽车发动机做温度的检测,温度全年使用要求5度-35度左右,这样一来只能使用冷热一体机来实现,冷热一体机既能加热又能制冷,客户要求介绍一下冷热一体机的工作原理。
冷热一体机工作原理,详情了解看「必威app精装版苹果版下载安装教程机械」

冷热一体机工作原理,详情了解看「必威app精装版苹果版下载安装教程机械」

据了解之前加热和制冷需要2台机器完成,不仅操作起来有点麻烦,保养也增加一些负担,占用空间比较大,所以冷热一体机应用越来越广泛,今天小编主要给大家讲解冷热一体机工作原理。 
新能源行业电机、泵测试控温选择冷热一体机,必威app精装版苹果版下载安装教程案例分享

新能源行业电机、泵测试控温选择冷热一体机,必威app精装版苹果版下载安装教程案例分享

小编直接进入主题,干货分享,冷热一体机由两部分组成是一种是加热另一种是制冷,是两种功能,可实现温度的精准控制,升降温可控可显的要求,做测试当然不止温度控制需求,还需要对流量、压力的可调可控。冷热一体机工作原理简单来说就是利用泵浦驱动将媒介(导热油、水、乙二醇水溶液)加热、制冷传送到主机设备,根据现场的工况进行温度调节,最终到达工艺需求,水式的加热最高温度能达到120度,冷却能达到-80度(冷却介质为硅油),当然需要选择一定特性的媒介及氮气密封等很多细节。
冷热一体机工作原理图及种类,「必威app精装版苹果版下载安装教程机械」分析

冷热一体机工作原理图及种类,「必威app精装版苹果版下载安装教程机械」分析

冷热一体机是一种加热冷却为一体的温度控制设备,很多产品在生产成型的过程中需要不同的温度点以及根据要求实现加热、冷却不同的温控要求。必威app精装版苹果版下载安装教程机械分析冷热一体模温机的应用原理以及选择种类!
冷热一体机工作原理「必威app精装版苹果版下载安装教程机械」解析何为冷热一体机

冷热一体机工作原理「必威app精装版苹果版下载安装教程机械」解析何为冷热一体机

冷热一体机顾名思义就是加热和制冷为一体的模温机,相对于一般模温机和冷水机具有更广泛的控温范围,在许多需要快速升温及冷却的企业及产品的应用中,冷热一体机应用比较广泛,那么使用时也就需要了解冷热一体机工作原理如何。
Baidu
88betway88